Informace
Držák žlabu Arkys Merkur 2 DZM 3/150 GZ ARK-214035
Držák žlabu Arkys Merkur 2 DZM 3/150 GZ ARK-214035 nabízí snadnou montáž a velkou variabilitu pro kabelové trasy silnoproudých světelných a motorických rozvodů.
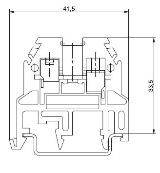
Řadové svornice RSA jsou určeny pro spojování elektrických obvodů malého a nízkého napětí měděnými tuhými, i ohebnými, eventuelně hliníkovými vodiči. Rozsah možných připojitelných vodičů je od 0,15 mm2 do 95 mm2. Ohebné vodiče není nutné zakončovat dutinkou. Svornice je možné aplikovat dle ČSN 33 2000-5-51 ed. 3 v prostředí s vnějšími vlivy AB 7, AF 2 a vybrané svornice i v prostředí s vnějšími vlivy dle AG 2 a AH 2. Řadové svornice RSA 2,5 A až RSA 35 A jsou ověřeny klimatickou zkouškou do teploty prostředí -40 °C. Pro splnění a dodržení legislativních a bezpečnostních požadavků je nutné při instalaci propojek RSA 6 A a RSA 10 A vždy použít boční přepážky (jak mezi sebou, tak i v případě použití pouze jedné propojky, kde nevložením přepážky dojde ke zkrácení vzdušné vzdálenosti mezi propojkou a můstkem následné svornice asi na polovinu – cca 5 mm). Vybrané svornice jsou zkoušeny na seizmickou odolnost dle ČSN IEC 980:1993 a norem souvisejících a podle certifikace GOST R. Řadové svornice RSA jsou určeny pro použití ve všech segmentech elektrotechnického průmyslu včetně nejnáročnějších energetických provozů. Při použití hliníkových vodičů ve svornicích se postupuje dle technické informace TNI 37 0606.
Informace
Držák žlabu Arkys Merkur 2 DZM 3/150 GZ ARK-214035 nabízí snadnou montáž a velkou variabilitu pro kabelové trasy silnoproudých světelných a motorických rozvodů.
Informace
Hliníkový držák pro kombinované šrouby M10 HDK - bezpečný a odolný držák pro vaše elektroinstalace.
Informace
Kabelová vývodka OBO V-TEC M32x1,5 LGR světle šedá - spolehlivé odlehčení tahu a utěsnění, stupně krytí IP68.
Informace
Kvalitní a stylový jednonásobný rámeček Legrand Valena Life pro bezpečnou a moderní elektroinstalaci.
Informace
Kombinované kleště FESTA 17041 se používají pro jemnou mechaniku a jsou vybaveny pogumovanou rukojetí a rozevírací pérkem. Mají délku 110mm a jsou ideální pro profesionální elektrikáře a kutily.
Informace
Spínaný napájecí zdroj MEAN WELL HDR-60-24 nabízí spolehlivou a bezpečnou zásobování elektrickou energií pro vaše aplikace.
Informace
Instalační stykač Noark Ex9CH25M 40 230V EU 230V 25A s manuálním ovládáním nabízí spolehlivou a bezpečnou spínání elektrického proudu. Ideální pro elektroinstalace s vysokým zatížením.
Informace
Tlačítko Bticino Living.Light v antracitové barvě spojuje moderní design s vysokou funkčností. Vyrobeno z kvalitních materiálů pro dlouhou životnost a snadnou kombinaci s ostatními přístroji této řady.