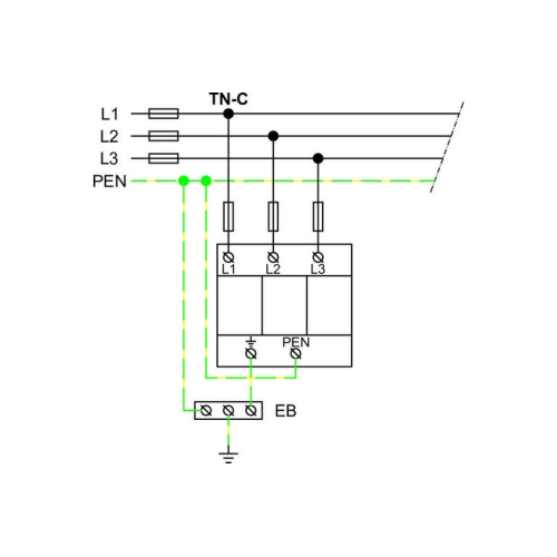
Svodič přepětí SPD typ 1 HLA50-255/3+0

Prodává: K&V Elektro
Svodič přepětí SPD typ 1 HLA50-255/3+0 - spolehlivá ochrana proti bleskovému proudu v elektroinstalaci.
Další informace
8 483 Kč
Není skladem
Koupit

Popis produktu

Svodiče impulzních proudů typu T1 zajišťují vyrovnávání potenciálů a eliminují účinky bleskového proudu v jednofázových a třífázových sítích. Ve výrobcích je použito vícenásobné bezvýfukové jiskřiště, díky čemuž jsou schopny svést impulz bleskového proudu nejvyšších hodnot. Vhodné pro objekty s uvažovanou hladinou ochrany LPL I a LPL II jako jsou velké průmyslové celky a objekty zvláštní důležitosti – nemocnice, banky, elektrárny. Instalují se co nejblíže vstupu nadzemního vedení do objektu – trafostanic, elektroměrových a hlavních rozvaděčů. Pokud výrobek obsahuje dvě svorky PE (resp. PEN), nesmí být použity jako můstek PE (PEN). Označení LED specifikuje provedení s LED indikací stavu. Označení S specifikuje provedení s dálkovou signalizací spolu s LED indikací stavu. Instaluje se dle norem: ČSN EN 62305 ed. 2, ČSN 33 2000-5-534 ed. 2, ČSN CLC/TS 61643-12.

Podobné produkty